磷酸氫鈣的概念及應用
磷酸氫鈣,亦被稱為磷酸二鈣或沉淀磷酸鈣,存在無水和二水兩種形態。這兩種形態在化學結構、溶解性、應用領域及穩定性上各有差異,從而決定了它們在不同場合下的應用特性及優勢。
磷酸氫鈣呈現為白色單斜晶系結晶性粉末,無獨特氣味。其化學式為CaHPO2H2O,在空氣中性質穩定,但在加熱至75℃時會逐漸失去結晶水,轉變為無水物,高溫環境下則可能進一步轉化為焦磷酸鹽。此外,它還易溶于稀鹽酸、稀硝酸及醋酸,而微溶于水。
在檢測磷酸氫鈣的水分含量時,需確保溫度控制在75℃以下,以避免結晶水的損失影響檢測結果。(國家標準中,通常采用丙酮洗滌后,于50±2℃下干燥2小時的方法進行檢測。)
作為飼料添加劑,磷酸氫鈣(簡稱DCP)被廣泛應用于畜禽養殖中,主要用于補充畜禽所需的鈣和磷礦物質營養。它在我國畜禽養殖領域占據重要地位,常作為“鈣+磷”類添加劑使用,添加量一般為飼料總量的1%-3%。DCP不僅易于消化吸收,能促進畜禽生長、縮短育肥期,還能提高配種率和成活率,并有助于增強畜禽對軟骨癥、白痢癥和癱疾癥等疾病的抵抗力。
磷酸氫鈣的生產工藝
飼料級磷酸氫鈣的生產工藝主要分為熱法磷酸法和濕法磷酸法。熱法磷酸法流程簡潔、產品質量穩定,但能耗較高、成本相對較大,多用于生產牙膏、食品、醫藥及電子級磷酸鹽產品。
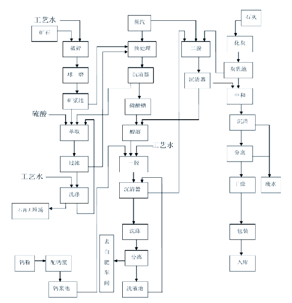
目前,國內飼料級磷酸氫鈣的生產主要采用濕法磷酸法,這是通過硫酸或鹽酸分解磷礦石,經過渣液分離,獲得低濃度的萃取磷酸。隨后,通過脫氟工藝,利用石灰乳進行中和沉淀,得到磷酸氫鈣。經過除雜、烘干和粉碎處理后,即可得到成品。此外,還存在利用植物生產蛋白飼料或肌醇時副產的磷酸氫鈣,以及骨質磷酸氫鈣等。但這些產品由于穩定性和安全性問題,在實際應用中受到一定限制。

硫酸法生產飼料級磷酸氫鈣的工藝流程如下:
首先,將硫酸或鹽酸與磷礦石進行反應,通過分解磷礦石來獲取低濃度的萃取磷酸。接著,利用石灰乳進行中和沉淀,以脫除氟化物,從而得到磷酸氫鈣。隨后,經過除雜、烘干和粉碎等工序,最終得到符合標準的飼料級磷酸氫鈣。
(1)磨礦及浮選脫鎂:經過鄂式破碎機粉碎的磷礦石進入球磨機,同時加水進行磨細。磨細后的磷礦流出,進入礦漿中轉槽。隨后,礦漿通過泵送入脫鎂浮選槽,加入浮選劑進行脫鎂處理。脫鎂后的礦漿再送入萃取槽。
?。?)磷酸萃取、過濾:將硫酸從貯槽中引出,與礦漿、洗水一同加入萃取槽。在二水硫酸鈣結晶的條件下,進行萃取反應,生成磷酸與磷石膏的混合料漿。此料漿經過盤式真空過濾機過濾,得到濾液與磷礦漿預反應,以脫除濾液中的游離硫酸和礦漿中的碳酸鹽。經過沉清后,沉清液即為磷酸,而稠漿則返回萃取槽。同時,盤式過濾機濾出的濾餅即為磷石膏,經過中和后運至渣場堆存。
(3)一次脫氟:濕法磷酸送入返漿溶解槽,在30~50℃的操作溫度下,使返漿在磷酸作用下溶解。溶解后的磷酸物料溢流進入一次脫氟槽,同時加入碳酸鈣料漿進行脫氟處理。脫氟后的料漿由泵送至白肥離心機進行過濾,固體部分送入白肥干燥系統,而濾液則流入一次脫氟濾液中轉池,經過沉清后送入二次脫氟工序。
?。?)二次脫氟:來自一次清液中轉池的磷酸送入二次脫氟槽,加入石灰乳進行二次脫氟,并調節PH值。脫氟后的料漿由泵送至二次脫氟沉清器進行沉清處理。沉清的稠漿放入二次稠漿池,再由泵送入返漿溶解槽循環使用。清液則流入二次沉清池,經過沉清后的稠漿和清液分別進行處理。
?。?)中和:來自二次脫氟工序的精磷酸送入精磷酸貯槽,然后溢流進入中和槽。在中和槽內加入石灰乳進行中和反應。中和后的料漿由泵送入離心機進行過濾,固體部分為半成品飼料級磷酸氫鈣,送至干燥工序;濾液則流入母液中轉槽進行處理。
?。?)干燥:半成品飼料級磷酸氫鈣經皮帶輸送機送入給料斗,由螺旋加料器送入氣流干燥器進行干燥處理。干燥后的產品經過一級旋風分離器和二級旋風分離器進行分離,最終得到飼料級磷酸氫鈣產品。
飼料級磷酸氫鈣的質量控制
在磷酸氫鈣的生產過程中,質量控制是一個至關重要的環節。通過一系列的工藝流程,我們確保最終產品的質量符合飼料級標準。這包括對原料的嚴格篩選,對生產過程的精準控制,以及對成品的細致檢驗。通過這些措施,我們致力于提供高品質的飼料級磷酸氫鈣,以滿足客戶的需求。

本標準適用于通過濕法磷酸工藝,按照特定鈣磷比生產出的飼料添加劑磷酸氫鈣。該產品根據生產工藝的不同,可分為Ⅰ型、Ⅱ型和Ⅲ型三種。值得注意的是,磷酸氫鈣Ⅱ型和Ⅲ型實際上是磷酸氫鈣與磷酸二氫鈣的混合物,因此標準中特別規定了這兩種型號的水溶磷指標。相比之下,普通的磷酸氫鈣則不含水溶磷。
在鑒別磷酸氫鈣時,我們可以采用以下方法:
首先,通過感官鑒別,觀察其色澤、氣味、細度和流動性。優質磷酸氫鈣通常呈現白色或略帶微黃色,且色澤均勻。它應該無異味,特別是硫酸法生產的磷酸氫鈣不應有刺鼻的氯離子味道。此外,我們還需注意其細度,按照國家標準,粉狀產品應能通過5mm實驗篩95%以上,粒狀產品則應達到2mm實驗篩90%以上。同時,流動性好的磷酸氫鈣也表明其質量上乘,無摻假可能。
另外,理化鑒定也是不可或缺的一環。我們可以取少量試樣進行鈣離子和磷酸根的鑒別。對于鈣離子,試樣加入冰乙酸溶解并煮沸后,產生的白色沉淀在鹽酸溶液中能夠溶解,從而證明其存在。而對于磷酸根,試樣溶于水中后,加入硝酸銀溶液會生成黃色沉淀,該沉淀溶于過量氨水溶液而不溶于冰乙酸,進一步確認了磷酸根的存在。
在飼料級磷酸鹽的質量標準中,磷的含量是一個至關重要的理化指標。然而,為了滿足磷的要求,市場上也出現了摻雜造假的問題。因此,我們還需要掌握一些常見的造假及鑒定方法,以便更好地辨別和選擇優質的飼料級磷酸氫鈣。
磷酸鈣(磷酸三鈣)
含鈣量高達26%-32%,加入稀鹽酸后,少部分樣品溶解,溶液呈淡黃色。用中性檸檬酸銨溶液研磨萃取樣品中的枸溶磷含量,若低于14%以下,而總磷又達17%以上,則可證明其中混入了磷酸三鈣。
滑石粉
加入稀鹽酸后樣品不溶解,并有半透明薄膜浮于表面。
磷酸鹽摻骨粉
在磷酸鉀鹽、鈉鹽、銨鹽、鈣鹽中摻入骨粉的目的是降低其含氟量。摻假后的產品色澤偏灰暗或偏黃褐色,若摻入骨粉50%以上則會有骨粉氣味。加入過量稀鹽酸后,會發生劇烈反應并產生大量混濁的泡沫;反應結束后,溶液渾黃,底層有不溶物。此外,還可以用檢測粗蛋白的方法來驗證是否摻入了骨粉。
關于鈣、總磷和枸溶性磷:
磷有三種形態,其溶解性不同。水溶性磷可直接溶解到水中被吸收;枸溶性磷不能直接溶解到水中,但可溶解到弱酸中,溶解后才能被吸收;難溶磷則不能被溶解和吸收。在磷酸氫鈣中,枸溶磷是關鍵指標,它指的是能被中性檸檬酸銨溶液提取的磷。枸溶磷占總磷的百分比越高,說明該磷酸氫鈣的質量越好。
然而,在實際檢測中可能會遇到以下幾種情況:
(1)磷高鈣低
有些磷酸氫鈣的鈣含量較低,而總磷和枸溶磷卻較高。這可能是因為磷礦石中含有較高含量的鎂、鋁、鐵等雜質,生產過程中未完全去除,導致這些雜質以磷酸鎂(鋁)的形式混雜在磷酸氫鈣中,從而降低了鈣的含量。此類磷酸氫鈣屬于質量偏差的產品。
?。?)磷低鈣高
與上述情況相反,有時也會遇到磷含量較低而鈣含量較高的磷酸氫鈣。這可能是由于生產過程中的某些工藝環節導致的。不過,通常來說,鈣和磷的比例在一定程度上反映了產品的質量。
有些磷酸氫鈣的鈣含量超過24%,甚至高達28%,同時總磷維持在5%左右,枸溶磷約為15%。按照標準,這類樣品是合格的,但實際上,這類磷酸氫鈣屬于質量較差的產品。部分飼料企業因此將鈣含量限制在20-24%的范圍內。
造成鈣含量過高的原因在于產品中硫酸鈣(CaSO4)的含量偏高。在正常磷酸氫鈣中,硫酸鈣的含量應低于3%,而這類產品中CaSO4的含量可能達到4~10%。生產過程中,廠家可能會提升烘干溫度,導致磷酸氫鈣中的結晶水損失,從而使得磷含量合格,但過高的硫酸鈣含量會影響動物對磷的吸收。因此,對于鈣含量超過23%的樣品,應進一步測定其CaSO4的含量。
另外,有時也會出現磷、鈣比例及含量正常,但枸溶磷低于標準的情況。這主要是由于產品中含Ca3(PO4)2較高所造成的,這會不利于動物對鈣、磷的吸收。
此外,產品的游離水分也是一個重要的指標。雖然標準中未明確規定,但在實際驗收時,可以通過感觀或使用丙酮(無丙酮時可用75℃、4小時作為參考)來檢測。同時,衛生指標如顏色、鈣、磷等也是需要關注的重要方面。對于顏色、鈣、磷指標異常的產品,建議進行自檢或外檢,以確保產品質量和安全。選擇國內大型知名企業的產品,可以在很大程度上避免安全問題。

-
[02-24]
-
[02-10]
-
[01-30]
-
[01-26]
-
[01-20]
-
[01-19]
-
[01-16]
-
[01-14]
-
[12-30]
-
[12-29]



